
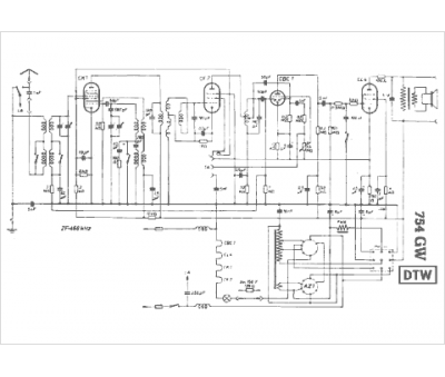
Marque :
DTW
Modèle :
754-GW
Type appareil :
récepteur à tubes
Pays d'origine :
Allemagne
