
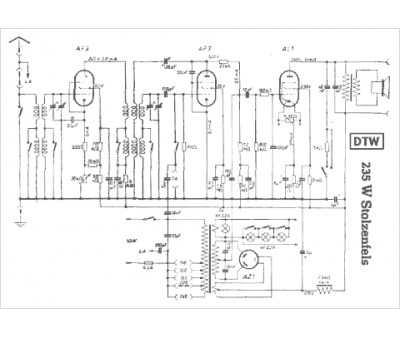
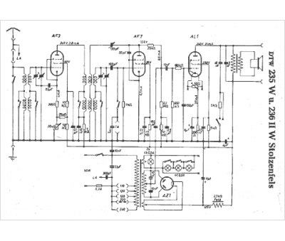
Marque :
DTW
Modèle :
235 W Stolzenfels
Type appareil :
récepteur à tubes
Pays d'origine :
Allemagne
