
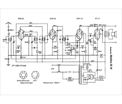
Marque :
Dreipunkt
Modèle :
Musikus 65 W
Type appareil :
récepteur à tubes
Pays d'origine :
Allemagne
