
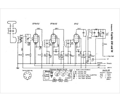
Marque :
Dreipunkt
Modèle :
Käpitan W
Type appareil :
récepteur à tubes
Pays d'origine :
Allemagne
