
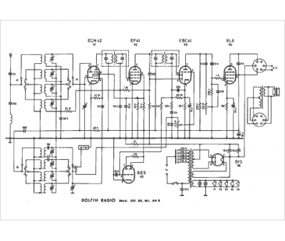
Marque :
Dolfin
Modèle :
Doremi 64 R
Type appareil :
récepteur à tubes
Pays d'origine :
Italie
