
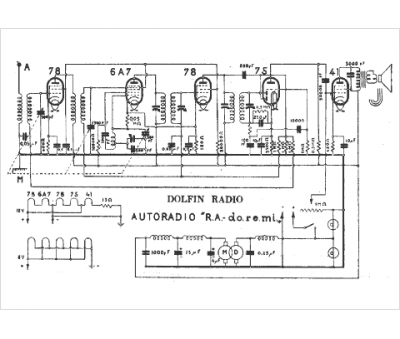
Marque :
Dolfin
Modèle :
Autoradio Doremi
Type appareil :
récepteur à tubes
Pays d'origine :
Italie
