
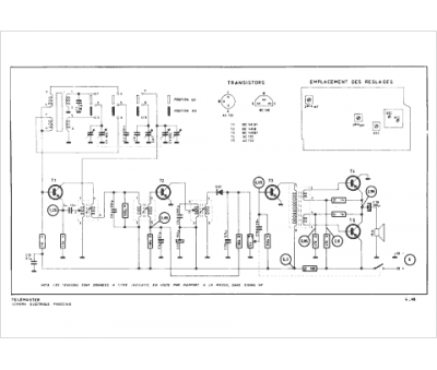
Marque :
Divers
Modèle :
Telemaster Pinocchio
Type appareil :
récepteur à transistors
Pays d'origine :
France
