
Marque :
Divers
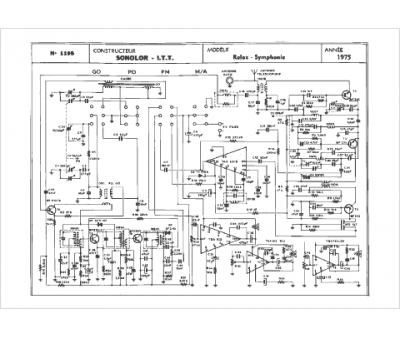
Modèle :
Sonolor Relax Symphonie
Type appareil :
récepteur à transistors
Pays d'origine :
France
