
Marque :
Divers russes
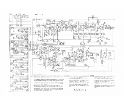
Modèle :
Selga 1
Type appareil :
récepteur à transistors
Pays d'origine :
ex-U.R.S.S.
