
Marque :
Divers russes
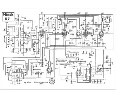
Modèle :
Minsk 55-R7
Type appareil :
récepteur à tubes
Année :
1955
Pays d'origine :
ex-U.R.S.S.
