
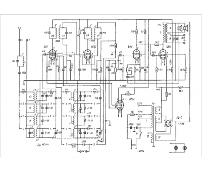
Marque :
Divers russes
Modèle :
Dnepropetrovsk
Type appareil :
récepteur à tubes
Pays d'origine :
ex-U.R.S.S.
