
Marque :
Divers russes
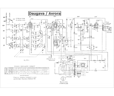
Modèle :
Daugava
Type appareil :
récepteur à tubes
Pays d'origine :
ex-U.R.S.S.
