
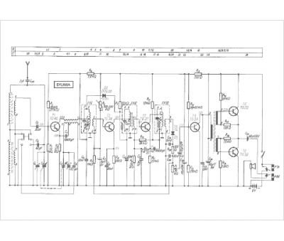
Marque :
Divers polonais
Modèle :
Sylwia
Type appareil :
récepteur à transistors
Pays d'origine :
Pologne
