
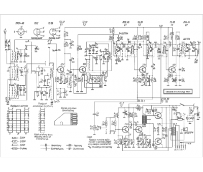
Marque :
Divers polonais
Modèle :
Krokus 10501
Type appareil :
récepteur à transistors
Pays d'origine :
Pologne
