
Marque :
Divers polonais
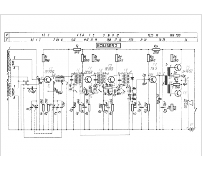
Modèle :
Koliber 2
Type appareil :
récepteur à transistors
Pays d'origine :
Pologne
