
Marque :
Divers
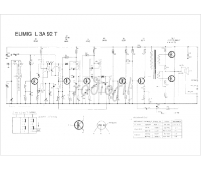
Modèle :
Eumig L3A92T
Type appareil :
récepteur à transistors
Pays d'origine :
France
