
Marque :
Divers
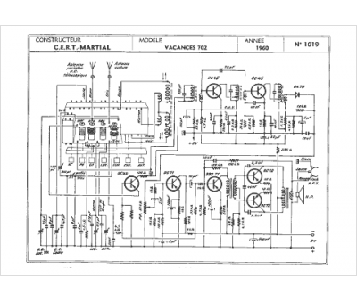
Modèle :
CERT-Martial 702
Type appareil :
récepteur à transistors
Pays d'origine :
France
