
Marque :
Divers allemands
Modèle :
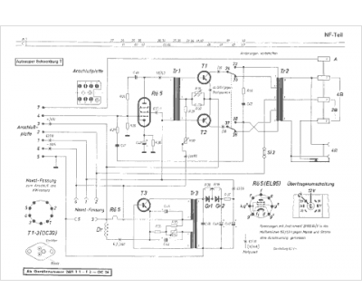
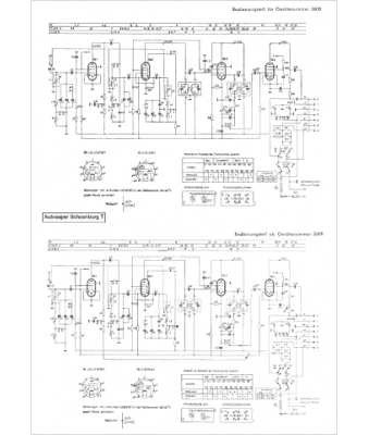
Schoenburg T
Type appareil :
auto-radio à tubes
Pays d'origine :
Allemagne
