
Marque :
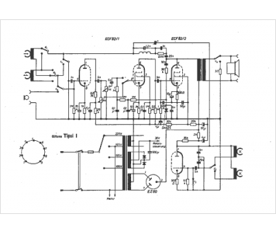
Difona
Modèle :
Tipsi 1
Type appareil :
récepteur à tubes
Pays d'origine :
Allemagne
