
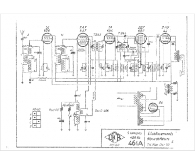
Marque :
DFR
Modèle :
461 A
Type appareil :
récepteur à tubes
Pays d'origine :
France
