
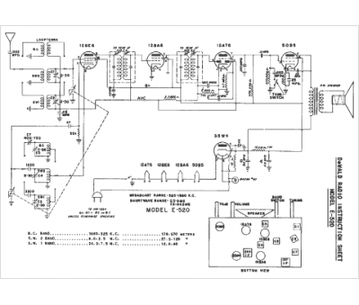
Marque :
Dewald
Modèle :
E-520
Type appareil :
récepteur à tubes
Année :
1951
Pays d'origine :
États-Unis
