
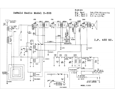
Marque :
Dewald
Modèle :
D-508
Type appareil :
récepteur à tubes
Année :
1950
Pays d'origine :
États-Unis
