
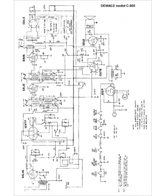
Marque :
Dewald
Modèle :
C-800
Type appareil :
récepteur à tubes
Année :
1950
Pays d'origine :
États-Unis
