
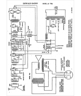
Marque :
Dewald
Modèle :
AC 724
Type appareil :
récepteur à tubes
Année :
1932
Pays d'origine :
États-Unis
