
Marque :
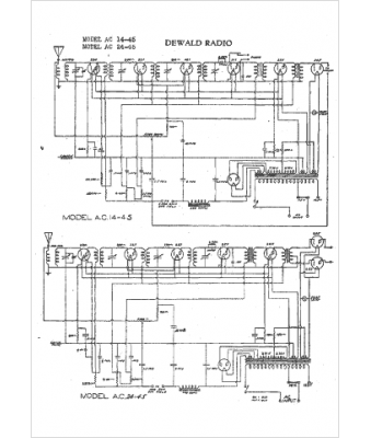
Dewald
Modèle :
AC 24-45
Type appareil :
récepteur à tubes
Pays d'origine :
États-Unis
