
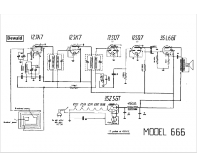
Marque :
Dewald
Modèle :
666
Type appareil :
récepteur à tubes
Année :
1940
Pays d'origine :
États-Unis
