
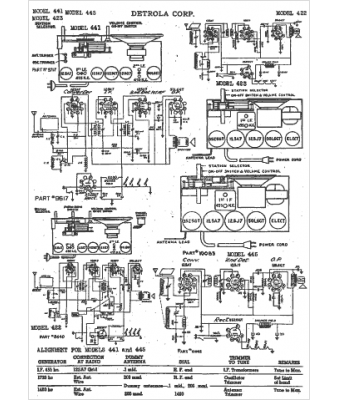
Marque :
Detrola
Modèle :
445
Type appareil :
récepteur à tubes
Pays d'origine :
États-Unis
