
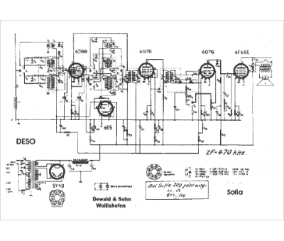
Marque :
Deso
Modèle :
Sofia
Type appareil :
récepteur à tubes
Pays d'origine :
Suisse
