
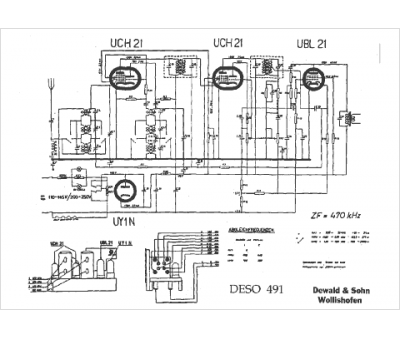
Marque :
Deso
Modèle :
491
Type appareil :
récepteur à tubes
Pays d'origine :
Suisse
