
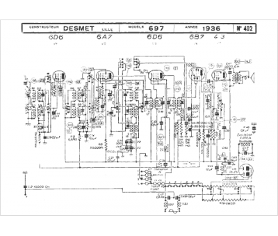
Marque :
Desmet
Modèle :
697
Type appareil :
récepteur à tubes
Année :
1936
Pays d'origine :
France
