Retour à l'accueil
 
 
Recherche de schémas
Collection CD/DVD

Service schémathèque 

4 documents correspondent à votre recherche.

Caractéristiques de l'appareil
Marque :
Desmet
Modèle :
548
Type appareil :
récepteur à tubes
Année :
1937
Pays d'origine :
France
4 documents correspondant à cet appareil
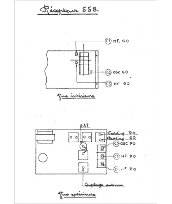
Schéma Desmet 548
1 page
Document présent dans Rétro-schémas 2 Acheter
En ligne, disponible en téléchargement Télécharger
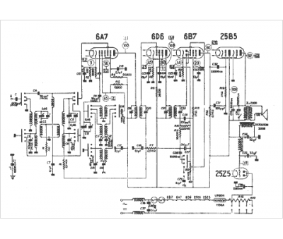
Schéma Desmet 548
4 pages.
Document présent dans Rétro-schémas 2 Acheter
En ligne, disponible en téléchargement Télécharger
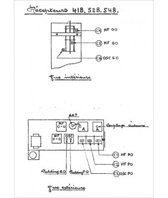
Schéma Desmet 519 A, Desmet 419, 419 A, 519 A, 529 A, 549 A, Desmet 418, Desmet 528, Desmet 548, Desmet 558, Desmet 568, Desmet 638, Desmet Notices, Desmet 419, Desmet 419 A, Desmet 519 A, Desmet 529 A, Desmet 549 A
11 pages.
Document présent dans Rétro-docs 9 Acheter
En ligne, disponible en téléchargement Télécharger
Schéma Desmet 418, Desmet 528, Desmet 548, Desmet 558, Desmet 568, Desmet 638
19 pages.
Document présent dans Rétro-docs 9 Acheter
En ligne, disponible en téléchargement Télécharger
Vous pouvez regrouper les téléchargements Tout télécharger
La consultation de cet espace schémathèque est en accès libre.