
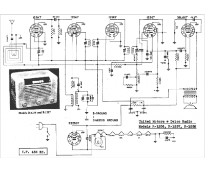
Marque :
Delco
Modèle :
R-1238
Type appareil :
récepteur à tubes
Pays d'origine :
États-Unis
