
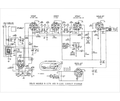
Marque :
Delco
Modèle :
R-1176
Type appareil :
récepteur à tubes
Année :
1941
Pays d'origine :
États-Unis
