
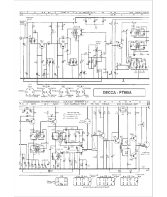
Marque :
Decca
Modèle :
TP 90 A
Type appareil :
récepteur à tubes
Pays d'origine :
Grande-Bretagne
