
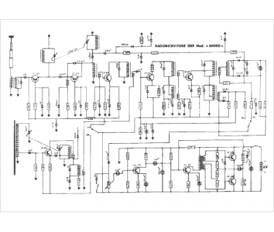
Marque :
DBR
Modèle :
Amigo
Type appareil :
récepteur à tubes
Pays d'origine :
Italie
