
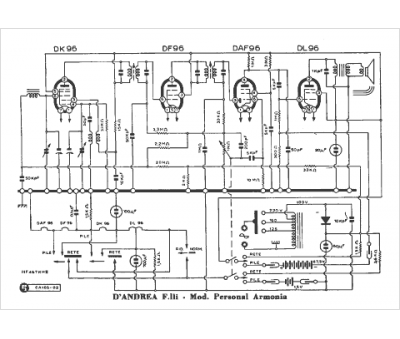
Marque :
D'Andrea
Modèle :
Personal Armonia
Type appareil :
récepteur à tubes
Pays d'origine :
Italie
