
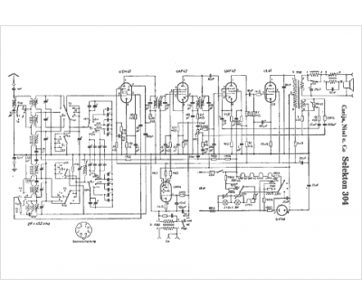
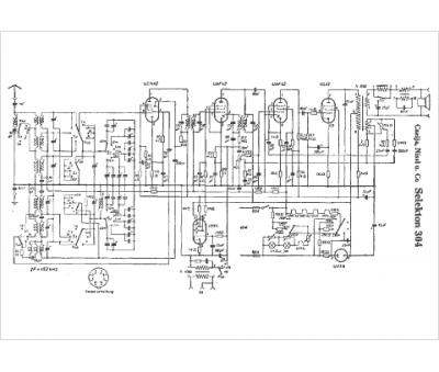
Marque :
Czeija
Modèle :
Selekton 304
Type appareil :
récepteur à tubes
Pays d'origine :
Autriche, Allemagne
