
Marque :
Czeija
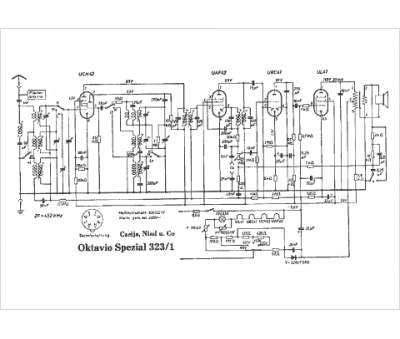
Modèle :
Oktavio Spezial 323-1
Type appareil :
récepteur à tubes
Pays d'origine :
Autriche, Allemagne
