
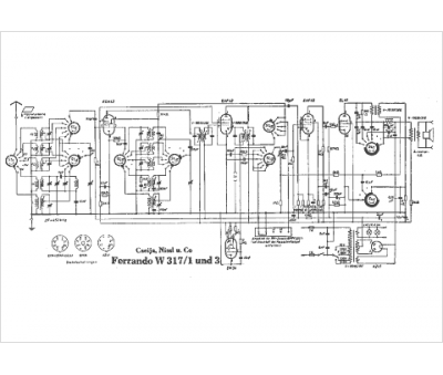
Marque :
Czeija
Modèle :
Ferrando W 317
Type appareil :
récepteur à tubes
Pays d'origine :
Autriche, Allemagne
