
Marque :
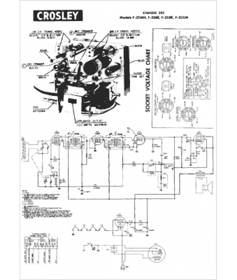
Crosley
Modèle :
F-25BE
Type appareil :
récepteur à tubes
Année :
1954
Pays d'origine :
Italie, États-Unis
