
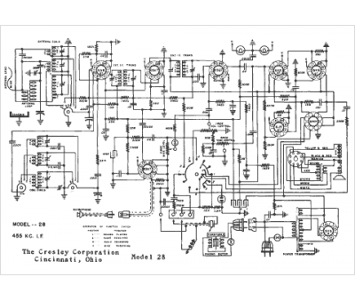
Marque :
Crosley
Modèle :
28
Type appareil :
récepteur à tubes
Année :
1941
Pays d'origine :
Italie, États-Unis
