
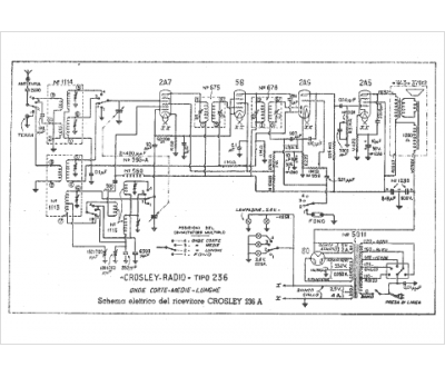
Marque :
Crosley
Modèle :
236 A
Type appareil :
récepteur à tubes
Pays d'origine :
Italie, États-Unis
