
Marque :
Crosley
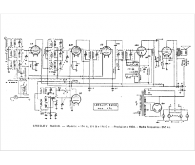
Modèle :
174 A
Type appareil :
récepteur à tubes
Pays d'origine :
Italie, États-Unis
