
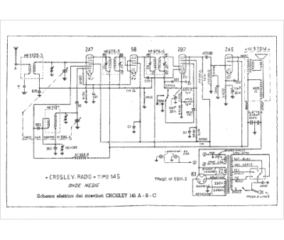
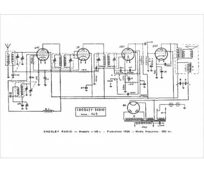
Marque :
Crosley
Modèle :
145 A
Type appareil :
récepteur à tubes
Pays d'origine :
Italie, États-Unis
