
Marque :
Crosley
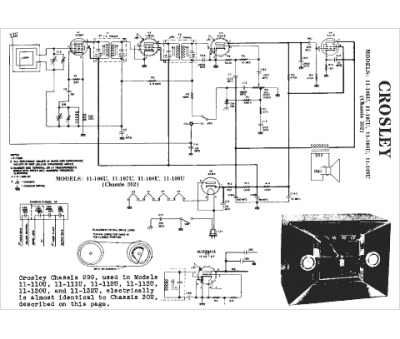
Modèle :
11-111U
Type appareil :
récepteur à tubes
Pays d'origine :
Italie, États-Unis
