
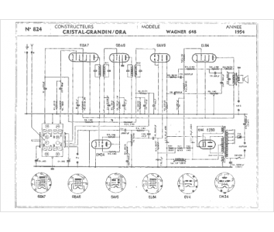
Marque :
Cristal Grandin
Modèle :
Wagner 648
Type appareil :
récepteur à tubes
Année :
1954
Pays d'origine :
France
