
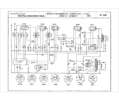
Marque :
Cristal Grandin
Modèle :
Octomatic 813
Type appareil :
récepteur à tubes
Année :
1951
Pays d'origine :
France
