
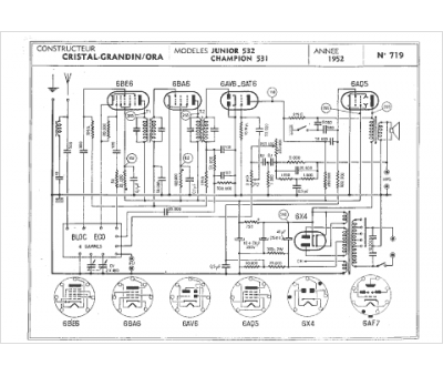
Marque :
Cristal Grandin
Modèle :
Champion 531
Type appareil :
récepteur à tubes
Année :
1952
Pays d'origine :
France
