
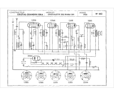
Marque :
Cristal Grandin
Modèle :
Bijou 501
Type appareil :
récepteur à tubes
Année :
1950
Pays d'origine :
France
