
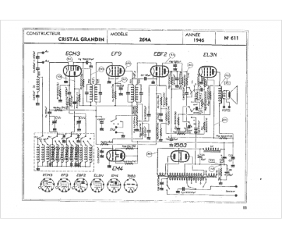
Marque :
Cristal Grandin
Modèle :
264 a
Type appareil :
récepteur à tubes
Année :
1946
Pays d'origine :
France
